General Disclaimer:   (HV) (DC) injury or death hazard,   use at your own risk,   may void warranty.

File:EnginerWiring.jpg

From My wiki
Revision as of 05:43, 11 June 2009 by Chenyj (talk | contribs) (Enginer Wiring Diagram Enginer patent pending conversion method, which is licensed free for individuals and very minimum loyalty fee ($10/per device) for commercial companies.)
(diff) ← Older revision | Latest revision (diff) | Newer revision → (diff)
Jump to navigation Jump to search

Original file(867 × 496 pixels, file size: 36 KB, MIME type: image/jpeg)

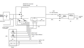
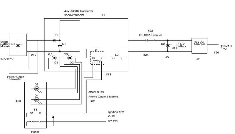
Enginer Wiring Diagram

Enginer patent pending conversion method, which is licensed free for individuals and very minimum loyalty fee ($10/per device) for commercial companies.

File history

Click on a date/time to view the file as it appeared at that time.

Date/TimeThumbnailDimensionsUserComment
current05:43, 11 June 2009Thumbnail for version as of 05:43, 11 June 2009867 × 496 (36 KB)Chenyj (talk | contribs)Enginer Wiring Diagram Enginer patent pending conversion method, which is licensed free for individuals and very minimum loyalty fee ($10/per device) for commercial companies.

The following 2 pages use this file: