General Disclaimer: (HV) (DC) injury or death hazard, use at your own risk, may void warranty. |
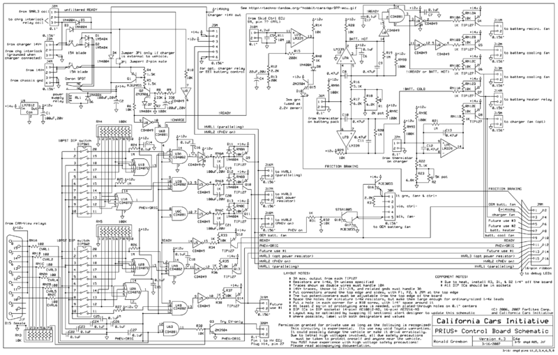
File:EAA-PHEV-PRIUS-ControlBdSchematic.png
Jump to navigation
Jump to search

Size of this preview: 800 × 509 pixels. Other resolutions: 320 × 203 pixels | 3,241 × 2,061 pixels.
Original file (3,241 × 2,061 pixels, file size: 137 KB, MIME type: image/png)
Version: V4_070110
These are the low power control board schematics from the latest PriusPlus conversion.
See also:
Previous Versions:
- V3r3_061211
File history
Click on a date/time to view the file as it appeared at that time.
Date/Time | Thumbnail | Dimensions | User | Comment | |
---|---|---|---|---|---|
current | 20:23, 15 April 2007 | ![]() | 3,241 × 2,061 (137 KB) | Cewert (talk | contribs) | v4.3_070316 |
21:00, 30 March 2007 | ![]() | 3,241 × 2,061 (137 KB) | Cewert (talk | contribs) | ||
08:20, 5 March 2007 | ![]() | 3,240 × 2,040 (104 KB) | Rjf (talk | contribs) | V4.2_070217 | |
07:24, 25 January 2007 | ![]() | 3,240 × 2,040 (104 KB) | Rjf (talk | contribs) | V4.1_070120 | |
11:01, 17 January 2007 | ![]() | 3,240 × 2,040 (103 KB) | Rjf (talk | contribs) | V4_070114 | |
06:38, 12 January 2007 | ![]() | 3,240 × 2,040 (91 KB) | Rjf (talk | contribs) | New v4 | |
08:53, 13 December 2006 | ![]() | 1,800 × 1,400 (307 KB) | Rjf (talk | contribs) | These are the low power control board schematics from the latest PriusPlus conversion. V3r3_061211 |
You cannot overwrite this file.
File usage
The following 4 pages use this file: