General Disclaimer:   (HV) (DC) injury or death hazard,   use at your own risk,   may void warranty.

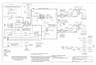
File:EAA-PHEV-PRIUS-HighPowerSchematicV1a 060116.png

From My wiki
Revision as of 09:28, 15 October 2007 by Rjf (talk | contribs) (Unprotected "Image:EAA-PHEV-PRIUS-HighPowerSchematicV1a 060116.png")
(diff) ← Older revision | Latest revision (diff) | Newer revision → (diff)
Jump to navigation Jump to search

Original file(2,078 × 1,402 pixels, file size: 255 KB, MIME type: image/png)

Prius PHEV Schematics High Voltage Parts List

Parts List Version 2c.:

  • F1-4 : LPJ-60SP fuse in JT60060 finger-safe holder
  • F3,4 : AGC 1/4A, 1250VAC fuse in HFA holder
  • F5 : ATC-15 32V blade fuse in HHD in-line holder
  • Thr1-4 : thermister, 10K @ 25 deg C, -4.40%/degC DigiKey:KC003T-ND or DigiKey:KC009G-ND
  • more...

Parts List Version 1a.:

  • F1 - 4 = Bussman LPJ-60P fues in Bussman JT60060 holder
  • F6 - 7 = 0.5A 3AG inline fuse
  • Thr1-4 = thermister, 10K @ 25 deg C
  • Battery ECU plug replaced with Wire Frame, Toyota P/N 82165-47040 (part of battery tap)
  • HVRL1 = Kilovac EV200
  • Misc Anderson PP180 & PP15 connectors single pole multi pole
  • The contactor, welding cable, economy welding cable crimper, lugs, fans, miscellaneous equipment and electronics supplies, including the isolated DC power supply, are available at http://www.kta-ev.com/catalog/index.html
High Power Schematic 2d. 2006.04.10       ( Click to Enlarge )
The diagrams below are outdated and useful only for reference.
Although wiring details have changed, these CalCars diagrams should give an idea of a way to lay out the battery box.
EAA-PHEV-PRIUS-HighPowerSchematicV2c 060321.jpg 2c. EAA-PHEV-PRIUS-HighPowerSchematicV2b 060319.jpg 2b.
This is the second version by Ron Gremban.
EAA-PHEV-PRIUS-HighPowerSchematicV1a 060116.png
Version 1. ( source )



png thumbnail
Originally hand drawn by Ron Gremban, then converted to CAD and PDF by Nick Viera. (maillist yahoo source)



Priusplushvd.png
See also: HV System Layout and Wiring Diagram of CalCars' 1st PRIUS+.
Originally hand drawn by Ron Gremban, then converted to CAD and PDF by Nick Viera.
Click show for a short list of the current PHEV conversion and kit options for the Toyota Prius.

For Prius conversion details see the Prius PHEV article and comparisons table.

  1. Ron's Original PriusPlus History and current Contactor Based PriusPlus documentation for DIY projects.
  2. Ryan's PriusBlue is the testbed for DC-DC PFC Based PiPrius kits and documentation for DIY projects.
  3. Toyota OEM Prius PHEV and Prime Could use some work on this page
  4. Enginer China. But the rest of these appear to all be defunct as of 2020?
  5. |~- Hybrids-Plus USA/Colorado/Li -~|~- EnergyCS USA -~|~- Hymotion USA/Canada -~|~- Amberjac UK. -~|~- EDrive USA -~| Peter mentioned Plug-In Conversions |~-

--={ Project Overview }={ 2007 Maker Faire }={ Theory }={ Instructions }={ Parts List }={ RawData }={ Latest News }=--
--={ Doc Process }={ Mechanical }={ Electrical }={ Electronic }={ Interest }={ Talk:PriusPlus Main Discussion }=--

--={ Historic }={ Battery }={ Schematics }={ PseudoCode }={ Photos }=--

Team Photo from the PriusPlus conversion of Sven's Prius from Nov 2006.

This is the home of the PRIUS+ PHEV DIY (Do-it-Yourself) documentation. These pages are currently anonymously editable, which may change in the future. Please feel free to use the Discussion page for general discussion and commentary on the main article. If you would like to add to an existing section use the "edit" link near that topic's heading. Don't forget to use the Summary field to describe your changes. While editing use the "Show Preview" button to make sure your changes look like you expect them to, before you click "Save Page".

  This item is out of date but kept for posterity sake,  
  please refer to the current PriusPlus project page.  

EAA-PHEV-PRIUS-Combined.png

The Combined "Map" image below may be out of date and is best for a general overview.
See the PriusPlus History (.doc) and main Prius PHEV page.
Click any of the three schematics to jump to its current version.

Navigation Image

SOC & Control Schematic 2f.
(full size, right click here).
Battery Tap Emulator 2g.
(full size, right click here).
High Power Schematic 2d.
(full size, right click here).

File history

Click on a date/time to view the file as it appeared at that time.

Date/TimeThumbnailDimensionsUserComment
current05:11, 24 February 2006Thumbnail for version as of 05:11, 24 February 20062,078 × 1,402 (255 KB)Rjf (talk | contribs)Parts List: * F1 - 4 = Bussman LPJ-60P fues in Bussman JT60060 holder * F6 - 7 = 0.5A 3AG inline fuse * Thr1-4 = thermister, 10K @ 25 deg C * Battery ECU plug replaced with Wire Frame, Toyota P/N 82165-47040 ''(part of [[:Image:EAA-PHEV-PRIUS-BatteryTapEm