|
General Disclaimer: (HV) (DC) injury or death hazard, use at your own risk, may void warranty. |
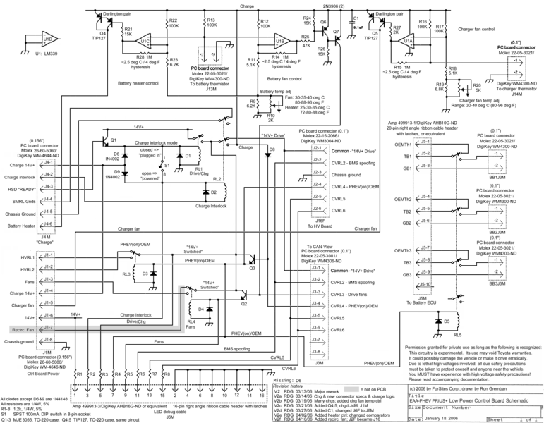
File:EAA-PHEV-PRIUS-ControlBdSchematicV2f 060410.png
Original file (1,800 × 1,400 pixels, file size: 257 KB, MIME type: image/png)
| Prius PHEV Schematics Control Board Parts List | ||||||||
| Reference | QTY | Description | Vendor | Vendor # | DigiKey # | Cost | Price | Comments |
| R1 - R8 | 8 | 1.2K Ohm 0.25W 5% Carbon Film Resistor | Panasonic | ERD-S2TJ122V | DigiKey:P1.2KBACT-ND | $0.54 | $0.07 | |
| R9, R23 | 2 | 6.2K Ohm 0.25W 5% Carbon Film Resistor | Panasonic | ERD-S2TJ622V | DigiKey:P6.2KBACT-ND | $0.14 | $0.07 | |
| R11, R18 | 2 | 5.1K Ohm 0.25W 5% Carbon Film Resistor | Panasonic | ERD-S2TJ512V | DigiKey:P5.1KBACT-ND | $0.14 | $0.07 | |
| R12,13,16, 17, 22 | 5 | 100K Ohm 0.25W 5% Carbon Film Resistor | Panasonic | ERD-S2TJ104V | DigiKey:P100KBACT-ND | $0.34 | $0.07 | |
| R14,15,28 | 3 | 1.0 Meg Ohm 0.25W 5% Carbon Film Resistor | Panasonic | ERD-S2TJ105V | DigiKey:P1.0MBACT-ND | $0.20 | $0.07 | |
| R21,24,26 | 3 | 15K Ohm 0.25W 5% Carbon Film Resistor | Panasonic | ERD-S2TJ153V | DigiKey:P15KBACT-ND | $0.20 | $0.07 | |
| R25 | 1 | 47K Ohm 0.25W 5% Carbon Film Resistor | Panasonic | ERD-S2TJ473V | DigiKey:P47KBACT-ND | $0.07 | $0.07 | |
| R27 | 1 | 2K Ohm 0.25W 5% Carbon Film Resistor | Panasonic | ERD-S2TJ202V | DigiKey:P2.0KBACT-ND | $0.07 | $0.07 | |
| R10 | 1 | 2K Ohm 1 turn trimpot - top adjust | MuRata | PVC6M202C01B00 | DigiKey:490-2815-ND | $1.05 | $1.05 | |
| R20 | 1 | 5K Ohm 1 turn trimpot - top adjust | MuRata | PVC6M502C01B00 | DigiKey:490-2826-ND | $1.05 | $1.05 | |
| C1 | 1 | 0.1 uF Metallized Polypropylene Film Cap | Epcos | B32621A5104J | DigiKey:495-1375-ND | $0.54 | $0.54 | radial leads, 10 mm spacing, Very Good self healing properties |
| RL1, 3, 4 | 3 | SPDT Relay, 10-15V coil, 10 A, 15 V contact | Omron | LY1-DC12 | DigiKey:Z785-ND | $19.35 | $6.45 | |
| RL2 | 1 | DPDT Relay, 10-15V coil, 10 A, 15 V contact | Omron | LY2-DC12 | DigiKey:Z790-ND | $7.58 | $7.58 | |
| RL5 | 1 | 4PDT Relay, 10-15V coil, 1 A, 15 V contact | Omron | MY4-DC12(S) | DigiKey:Z186-ND | $6.48 | $6.48 | |
| RS1, 2, 3, 4 | 4 | Relay Socket for RL1, 2, 3, 4 | Omron | PT08-0 | DigiKey:Z792-ND | $27.00 | $6.75 | |
| RS5 | 1 | Relay Socket for RL5 | Omron | PY14-02 | DigiKey:Z813-ND | $1.80 | $1.80 | |
| D6, D9 | 2 | Silicon Rectifier - 100V, 1 A | Diodes, Inc. | 1N4002-T | DigiKey:1N4002DICT-ND | $0.52 | $0.26 | DO-41 Package |
| D1-D5, 7, 8 | 7 | High Speed Diode - 1N4148 | Philips | 1N4148 T/R | DigiKey:568-1360-1-ND | $0.35 | $0.05 | DO-35 Package |
| U1A,B,C | 1 | Quad Comparator IC 0-70Deg C 14-DIP | Fairchild | LM339AN | DigiKey:LM339ANFS-ND | $0.55 | $0.55 | 14 pin DIP package |
| Q1 - Q4 | 4 | NPN Transistor, 10 A, 60 V | ST Microelectronics | MJE3055T | DigiKey:497-2573-5-ND | $3.36 | $0.84 | TO-220 Package |
| Q5 | 1 | PNP Darling Transistor, 5 A, 100 V | Fairchild | TIP127 | DigiKey:TIP127FS-ND | $0.63 | $0.63 | TO-220 Package |
| Q6, Q7 | 2 | PNP Transistor, 200 mA, 40 V | Fairchild | 2N3906BU | DigiKey:2N3906FS-ND | $0.36 | $0.18 | TO-92 package |
| J1M | 1 | 8 Pin PC Board connector - control board power | Molex | 26-60-5080 | DigiKey:WM4646-ND | $0.96 | $0.96 | 0.156 inch spacing |
| J2F | 1 | 6 Pin PC Board connector to HV Board | Molex | 22-15-2066 | DigiKey:WM3004-ND | $0.86 | $0.86 | 0.1 inch spacing |
| J3M | 1 | 8 pin Connector to CAN View | Molex | 22-05-3081 | DigiKey:WM4306-ND | $1.26 | $1.26 | 0.1 inch spacing |
| J4M | 1 | 6 Pin PC Board connector (Interlock) | Molex | 26-60-5060 | DigiKey:WM4644-ND | $0.83 | $0.83 | 0.156 inch spacing |
| J5M | 1 | 10 pin right angle ribbon cable header with latches, (to battery ECU) | Amp | 499913-1 | DigiKey:AHB10G-ND | $1.99 | $1.99 | |
| J6M | 1 | 16 pin right angle ribbon cable header with latches, (LED Debug Cable) | Amp | 499913-3 | DigiKey:AHB16G-ND | $2.20 | $2.20 | |
| BBXJ3M,J13M, J14M | 5 | 2 pin Connector to Control Board | Molex | 22-05-3021 | DigiKey:WM4300-ND | $2.75 | $0.55 | 0.1 inch spacing |
| U1S, S1S | 2 | 8 pin DIP IC socket | Amp | 2-640463-2 | DigiKey:A24794-ND | $0.84 | $0.42 | Use with S1 and U1 |
| S1 | 1 | SPST Dip Switch | CTS | 206-4 | DigiKey:CT2064-ND | $0.59 | $0.59 | 4 position switch - just use 1 position |
| Total cost | $84.60 | |||||||
The diagrams below are outdated and useful only for reference.
This is the second version by Ron Gremban.
Version 1. This is the first version by Ron Gremban.
(maillist yahoo current source)
| Click show for a short list of the current PHEV conversion and kit options for the Toyota Prius. |
|---|
|
For Prius conversion details see the Prius PHEV article and comparisons table.
|
|
--={ Project Overview
}={ 2007 Maker Faire
}={ Theory
}={ Instructions
}={ Parts List
}={ RawData
}={ Latest News
}=--
|
|---|
|
--={ Historic }={ Battery }={ Schematics }={ PseudoCode }={ Photos }=-- |
|
Team Photo from the PriusPlus conversion of Sven's Prius from Nov 2006. This is the home of the PRIUS+ PHEV DIY (Do-it-Yourself) documentation. These pages are currently anonymously editable, which may change in the future. Please feel free to use the Discussion page for general discussion and commentary on the main article. If you would like to add to an existing section use the "edit" link near that topic's heading. Don't forget to use the Summary field to describe your changes. While editing use the "Show Preview" button to make sure your changes look like you expect them to, before you click "Save Page". |
|
This item is out of date but kept for posterity sake, |
|
The Combined "Map" image below may be out of date and is best for a general overview. | ||
|
| ||
File history
Click on a date/time to view the file as it appeared at that time.
| Date/Time | Thumbnail | Dimensions | User | Comment | |
|---|---|---|---|---|---|
| current | 08:30, 12 April 2006 | 1,800 × 1,400 (257 KB) | Rjf (talk | contribs) | {{PriusPlus Control Parts}} {{PriusPlus Control Schematic}} {{PriusPlus Schematics}} |
You cannot overwrite this file.
File usage
The following 30 pages use this file:
- PriusPlus History
- PriusPlus History-Schematics
- File:EAA-PHEV-PRIUS-BatteryTapEmulatorSchematicV1 060104.jpg
- File:EAA-PHEV-PRIUS-BatteryTapEmulatorSchematicV1a 060118.png
- File:EAA-PHEV-PRIUS-Combined.png
- File:EAA-PHEV-PRIUS-ControlBdSchematicV2b 060319.jpg
- File:EAA-PHEV-PRIUS-ControlBdSchematicV2c 060321.png
- File:EAA-PHEV-PRIUS-ControlBdSchematicV2e 060402.png
- File:EAA-PHEV-PRIUS-ControlBdSchematicV2f 060410.png
- File:EAA-PHEV-PRIUS-ControlSchematicV1 060118.png
- File:EAA-PHEV-PRIUS-HVBoardSchematicV2b 060319.jpg
- File:EAA-PHEV-PRIUS-HVBoardSchematicV2c 060321.jpg
- File:EAA-PHEV-PRIUS-HVBoardSchematicV2e 060405.png
- File:EAA-PHEV-PRIUS-HVBoardSchematicV2f 060407.png
- File:EAA-PHEV-PRIUS-HVBoardSchematicV2g 060410.png
- File:EAA-PHEV-PRIUS-HighPowerSchematicV1a 060116.png
- File:EAA-PHEV-PRIUS-HighPowerSchematicV2b 060319.jpg
- File:EAA-PHEV-PRIUS-HighPowerSchematicV2c 060321.jpg
- File:EAA-PHEV-PRIUS-HighPowerSchematicV2d 060410.jpg
- File:HVPictorial 041101rdg.gif
- File:HVSchematic 041101rdg.gif
- File:PRIUS- BatteryTapEmulatorSchematicV1 060104.pdf
- File:PRIUS- BatteryTapEmulatorSchematicV1 060104.png
- File:Priusplushv.pdf
- File:Priusplushv.png
- File:Priusplushvd.pdf
- File:Priusplushvd.png
- Template:PriusPlus Control Schematic
- Template:PriusPlus Control Schematic Small
- Template:PriusPlus Schematics